Описание
Компактная и удобная мини баня длиной 3 метра. Подойдёт для размещения в условиях ограниченного пространства, простая и удобная планировка не оставят Вас равнодушными.
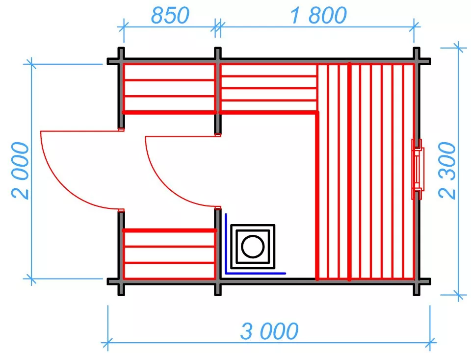
Мини баня 3 метра (2 помещения) подойдёт для отдыха в компании до 2-3 человек.
Цена указана под ключ!
Планировка
1 этаж
Планировка может быть изменена в соответствии с Вашими пожеланиями.
Что входит в стоимость
Подвенечный оклад (обвязка)
Брус из древесины хвойных пород дерева сечением 100х150 мм.
Конструкция стен
Наружные и внутренние стены, перегородки - профилированный строганный мини-брус камерной сушки сечением 44х135 мм, влажность 12-14%, монтируется по технологии четырехстороннего замкового паза с ветровым замком (теплый не продуваемый угол). Без утепления.
Высота стен не менее 17 венцов, ~ 2,3 м, высота фронтонов ~ 0,4 м.
Высота стен не менее 17 венцов, ~ 2,3 м, высота фронтонов ~ 0,4 м.
Конструкция пола
Лаги пола - доска из древесины хвойных пород дерева естественной сушки сечением 50х150 мм, (шаг ~600 мм), крепятся при помощи металлических опор бруса.
Доска пола из хвойных пород древесины 27х135, влажность 12-14%.
Внутренние помещения - шпунтованная доска".
Плинтус деревянный напольный и потолочный.
Техническая лесенка (ступени) около входа, из древесины, на 2 проступи, шириной 1,2 м.
Доска пола из хвойных пород древесины 27х135, влажность 12-14%.
Внутренние помещения - шпунтованная доска".
Плинтус деревянный напольный и потолочный.
Техническая лесенка (ступени) около входа, из древесины, на 2 проступи, шириной 1,2 м.
Конструкция перекрытия
Балки перекрытия - брус 50х150.
Черновой настил под утепление потолка.
Черновой настил под утепление потолка.
Конструкция крыши
Опорные прогоны - строганный мини-брус камерной сушки 45х140 мм, влажность 12-14%.
Кровельный настил - имитация бруса камерной сушки толщиной 20 мм, влажность 12-14%.
Кровельное покрытие - гибкая черепица SHINGLAS, серия Оптима (цвет серый, красный, коричневый или зеленый).
Ветровая и торцевая планки - строганная доска камерной сушки из хвойных пород дерева.
Кровельный настил - имитация бруса камерной сушки толщиной 20 мм, влажность 12-14%.
Кровельное покрытие - гибкая черепица SHINGLAS, серия Оптима (цвет серый, красный, коричневый или зеленый).
Ветровая и торцевая планки - строганная доска камерной сушки из хвойных пород дерева.
Окна и двери
Входная дверь - деревянная филенчатая из массива сосны с фурнитурой и замком, глухая.
Окна деревянные из массива сосны с одинарным остеклением, с ручками и запором.
Наличники оконные и дверные - строганная доска камерной сушки из хвойных пород дерева.
Для бань с 2 и более помещениями - Двери для саун 70х180 из жаропрочного стекла.
Окна деревянные из массива сосны с одинарным остеклением, с ручками и запором.
Наличники оконные и дверные - строганная доска камерной сушки из хвойных пород дерева.
Для бань с 2 и более помещениями - Двери для саун 70х180 из жаропрочного стекла.
Что также входит в цену "под ключ"
Сборка комплекта на объекте Покупателя.
Доставка комплекта материалов на объект (до 100 км от производственной базы в г. Борисов).
Стоимость свайно-винтового фундамента с монтажом.
Электромонтажные работы с материалом (кабель, труба, розетки, светильники).
Защитно-декоративное окрашивание наружных деревянных поверхностей составами "Renner".
Материалы для обустройства парной. Печь, дымоход, бак, лежаки, трапы.
Доставка комплекта материалов на объект (до 100 км от производственной базы в г. Борисов).
Стоимость свайно-винтового фундамента с монтажом.
Электромонтажные работы с материалом (кабель, труба, розетки, светильники).
Защитно-декоративное окрашивание наружных деревянных поверхностей составами "Renner".
Материалы для обустройства парной. Печь, дымоход, бак, лежаки, трапы.
Подробные технические характеристики и варианты комплектации можно уточнить у менеджера.
Остались вопросы?
Оставьте контакты — перезвоним, уточним задачи и подберём решение под ваш участок.
Спасибо! Мы с вами свяжемся.